Raspberry Pi已经存在了几年。这种信用卡大小的计算机以其小巧的尺寸和同样小的价格标签改变了世界。使用它的无数种可能的方式,使用保护壳来保护您的Pi总是一个好主意。您的Raspberry Pi入门套件可能带有保护套。否则,您可以轻松地免费创建自己的产品。
今天,我将介绍您可以为Pi和Pi Zero制作的各种DIY盒,因为这可能因您的用法而异。
有用的工具
首先,让我们看看其中一些方便的工具,以帮助设计案例。自原始的 Model B v1 起,每个版本的Raspberry Pi都有安装孔,可用于将板子固定在表面上。这些取决于您所使用的板而有所不同,尽管Raspberry Pi Spy的这个方便的备忘单涵盖了它们所有的安装孔位置,以及官方Raspberry Pi相机模块的尺寸。
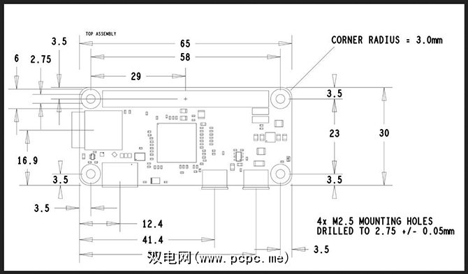
要进行更深入的研究缩小尺寸后,Raspberry Pi官方网站上提供了每块板的详细机械图纸。这些图显示了板上每个主要组件和端口的大小和位置。

或者,如果您不想担心间距,可以购买适合所有端口的裸机套件,然后将您自己的设计添加到外壳的其余部分。

为板子确定正确的间距后,就该开始制作了!
纸板箱
对于一种使Pi免受生命中许多疾病困扰的简单而有效的方法,用纸板制成的箱子就足够了。即使您决定做一些更重要的事情,本节中的设计还是值得的,因为每种设计都可以打印并用作模板,以确保端口和GPIO引脚的适当间距。
发布后不久原始Pi的官方论坛成员'E'发布了一个名为'The Punnet'的纸案的设计。

该设计是由Rural的Jerry McManus提出的。 Design Collective适合Pi的现代版本。 pdf指令可让您免费为Pi制作一个简单的外壳!

Pi Zero并没有一个非常简单的打印和装箱设计,尽管使用了电路板尺寸借助在线模板制作服务,您应该可以为自己的项目创建完美的东西。

回收箱
创建案件的一种方法是回收另一箱旧箱。设备。几乎我们所有人中都有旧的工具包,这些工具包有缺陷或已经过时而无法使用。为什么不创建完美的复古外壳呢?
这种NES弹壳已迅速成为Maker社区中的经典之作,许多人选择将旨在模仿复古游戏的板放置在完美的外壳中。 RIGG'd Games的John Riggs的这段视频向您介绍了他如何展示Pi3 Model B +,然后展示了复古的游戏设置。
这种方法对Pi Zero也很有效如果您要在设置中添加任何其他模块,则它的体积要小得多,它会在内部留出更多空间。在Trevor Saul的这段视频中,一个USB集线器包含在Pi Zero旁边的旧Duck Hunt盒中。
继续使用重用旧技术的想法,来自Instructables用户nunopcardoso的此案例使用旧的CD驱动器将Raspberry Pi与电源和硬盘驱动器一起容纳。机箱还为通过 PWM 控制的风扇留出空间,以使整个套件保持凉爽。

该设计用于无头运行Pi,并为HDMI集成了一个额外的孔端口将允许您连接屏幕。如果您使用与CD驱动器相同时间的显示器,则需要加分!
Instructables用户gardines使用旧的旋转电话作为其女儿为Raspberry Pi驱动的MP3播放器的外壳。

如果没有可用的旧电话或CD托架怎么办?好吧,事实证明,您几乎可以用任何东西做一个案例。郑明宇(Mingyu Zheng)希望从厨房里获得灵感,并创造出令人惊讶的专业沙丁鱼皮皮!

像这样的建筑非常理想,因为它们充分接受了在可能的地方重复使用东西的概念,并且不要
使用Pi Zero时,即时飞行案例的选择范围更加广泛,正如Instructables用户Crysknife007向我们展示的那样。事实证明,Tic-Tac盒是容纳电路板的理想尺寸。这必须是制造保护性外壳的最简单,最便宜的方法之一。

这种情况下存在无数种可能性,并且根据您打算使用Pi的方式,您可以削减更多所选外壳的开口允许访问GPIO引脚,安装散热器或您在项目中使用的任何其他附件。
由您构建
我们无法编写关于DIY案例的文章,但没有涵盖经典内容。乐高Pi案。积木式构建案例可以进行大量的自定义,通过使用Lego Digital Designer,您可以在构建案例之前预览案例。这意味着您可以根据自己的需要提供最实际的案例。当然,您也可以改成“ Pi Fighter"。

要充分利用Lego,您可以使用Bricklink来订购构建所需的确切积木。 Instructables用户darrennie在设计和制作Raspberry Pi 2 Model B的外壳时使用了这种方法。

许多旧的计算机键盘在外壳中都有足够的空间来容纳Pi的内部。 Ben Heck更进一步,为他的Pi设计了复古的键盘外壳。该版本使人想起了令人怀念的旧BBC Micro计算机。这个构建不仅坚固耐用而且功能强大,而且看起来也很可爱和怀旧。
Wood是另一个可以使用的媒介。Reddit用户Rbotguy制作了一个带有提手的大箱子来容纳他的Pi。该表壳配有冷却风扇和大电池,可用于运行“人造生命"模拟。它不仅看起来很棒,而且还通过电路进行充电,这意味着无论是从市电还是电池运行,它始终可以保持供电。

此设计留出了许多备用空间,可以在以后添加组件,或者可以轻松按比例缩小以容纳较小的项目。
对于一些简单的事情,顶部和底部封面袋对于许多人来说就足够了。 Instructables用户sandshock为他们的Pi设计了一款时尚的Oak外壳,所有价格都在 $ 10 以下。

这种设计也很好地适用于金属。 Instructables用户natetetete用铜为他们的Raspberry Pi 3 Model B设计了美观的顶盖和底盖。

使用铜这样的好处是设计上的一个细微调整使您可以使用外壳本身就是一个散热器,不仅可以保护您的Pi免受伤害,而且还可以使其过热!
3d打印自己的
随着3d打印的兴起,越来越多的人开始制造自己的产品在家里设计。如果您对3D打印感到好奇,或者您是初学者并且想了解更多信息,请查阅我们的入门指南!
3d打印机可以通过多种方式增强您作为Raspberry Pi用户的体验。访问打印机的好处之一是,有许多现有设计可供选择。诸如Thingiverse之类的网站拥有大量的DIY建设者,他们几乎可以想象到任何东西。
对于一个紧凑的外壳,它非常贴合并允许访问所有端口,这看起来就是thatdude333的设计。

要了解更多有关主板的内容,并且看起来很不错的启动方法,请在Walt的Thingiverse上查看此机箱设计。

如果您正在寻找更雄心勃勃的产品,daftmike提供了一系列YouTube视频,概述了他如何设计和3d打印NES克隆盒以及盒带,以容纳Raspberry Pi复古游戏机。
除了详细的视频(用于硬件和软件开发过程之外),所有设计都可以在他的Thingiverse个人资料中找到。
如果您仍在使用旧型号的Pi,您会发现也有很多选择。

也有一些设计适合Pi Zero,例如,这种极简设计结合了用户Marks的USB电源调节器。

如果您正在寻找更具风格的东西,unic8设计了一个外壳,可以完全接触到板子的所有引脚,并且具有未来派的菱形设计。

从实用性和时尚性到令人难以置信的预算和功能,有无数种方法可以为您的Pi制作自己的外壳。 3D打印无疑改变了游戏规则,尽管您可以使用任何可用的工具来创建独特的东西,以使您的Raspberry小朋友们保持安全。
标签:
